设为首页
表格下载
ENGLISH
中文
首页
优米娱乐有限公司官网
协会工作
app优米
YO米直播体育
yo米直播赛事
YO米直播世界杯
优米体育总部地址查询
质量标准
YO米直播NBA最新消息
协会简介
|
协会章程
|
协会制度及公告
|
组织结构
|
nba优米在线观看
|
yo米直播nba
|
领导成员
|
nba优米直播
|
协会通知
|
协会活动
|
图片新闻
|
视频新闻
|
专题报道
|
中国模具信息
|
基地建设
|
中国重点骨干模具企业
|
党建工作
|
app优米
|
行业规划
|
相关文件
|
政策解读
|
YO米直播体育
|
国际组织
|
出国展览
|
交流合作
|
yo米直播赛事
|
同期活动
|
YO米直播世界杯
|
发展论坛
|
会员名录
|
新技术、信息化
|
国内外行业信息
|
国家级重点模具研究机构
|
模具标准
|
行业规划
|
中国模具专家介绍
|
企业专题活动
|
模具园区
|
国外行业信息
|
中国模协培训基地
|
培训信息
|
智库专家
|
国家级新产品
|
专项工作
|
中国模协T/CDMIA标准
|
精模奖 优秀供应商
|
优米体育官网下载安装app
|
专利成果
|
当前位置:
首页
>> 质量标准 >>
中国模协T/CDMIA标准
>>详细内容
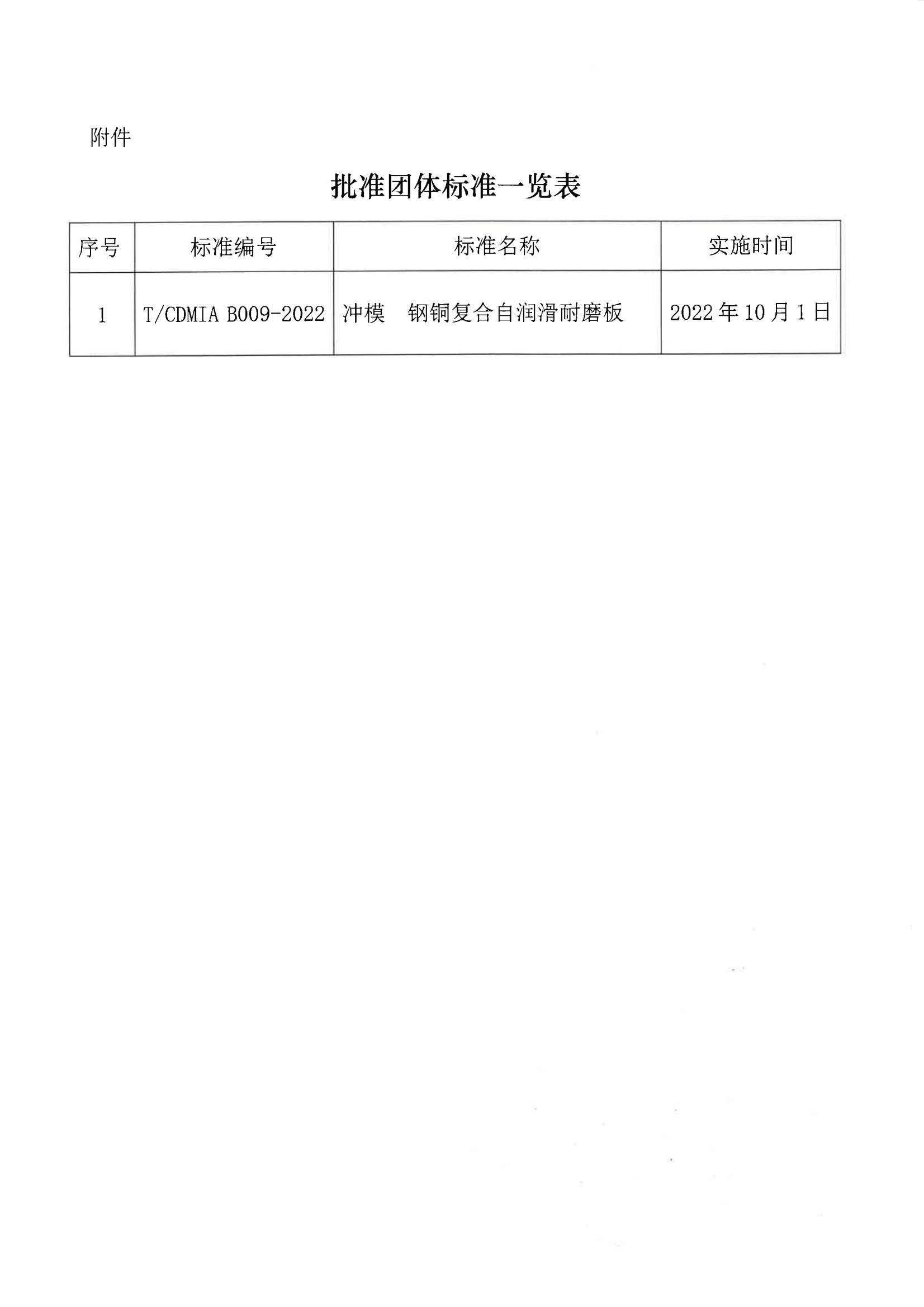
关于批准发布《冲模 钢铜复合自润滑耐磨板》团体标准的公告
来源:
时间:
2022-09-26 09:31
附件:
《冲模 钢铜复合自润滑耐磨板》.pdf
模具行业“十四五”发展纲要 100元/本 联系电话:010-88356463
更多
首页
|
协会概况
|
协会工作
|
YO米直播NBA最新消息
米优app怎么注册主办唯一官方网站
中国北京海淀区首体南路20号国兴家园四号楼505,506室 邮编: 100044
电话:010-88356463 传真:0086-10-88356461
电子邮件:
cdmia@www.mw268.com
网站:
http://www.mw268.com
京公网安备11010802040758号
京ICP备17039305号-1
版权所有米优app怎么注册,未经同意请勿转载
map